
Description:
SB300 is suitable to serve for water pump factory, forming power unit with engine. It is widely used in industrial or civil water supply and drainage, central heating, boiler feed water, transportation of chemical fluid and slurry, oil transportation and water injection in oil field.
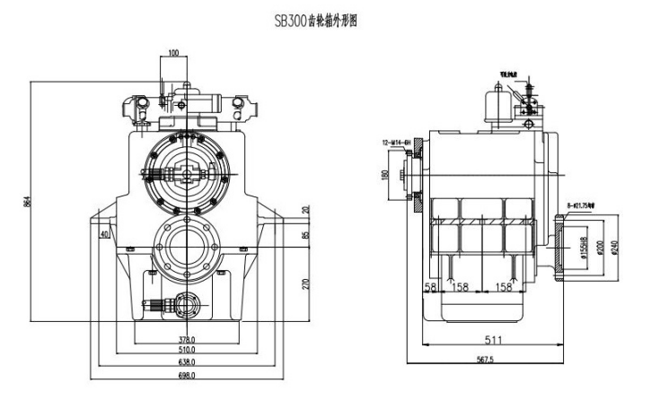
Main data:
Model: | SB300 pump gearbox |
Input Speed: | 750~2000r/min |
Input Power: | 330kw |
Speed Ratio: | 1:1~3:1(Reduction gearbox) 1:1~1:3(increasing gearbox) |
Speed Increasing Ratio: | 264mm |
Size: | 698×567.5×864mm |
Input shaft steering( facing to Output): | Opposite input axis |
Specification: | Hydraulic wet multi-disc friction clutch |
Application:
SB300 is widely used in industrial or civil water supply and drainage, central heating, boiler feed water, transportation of chemical fluid and slurry, oil transportation and water injection in oil field.
Technical Tel: +86-13816230777