
Description:
SLZ1850 uitable to serve for water pump factory, forming power unit with engine. It is widely used in industrial or civil water supply and drainage, central heating, boiler feed water, transportation of chemical fluid and slurry, oil transportation and water injection in oil field.
Main data:
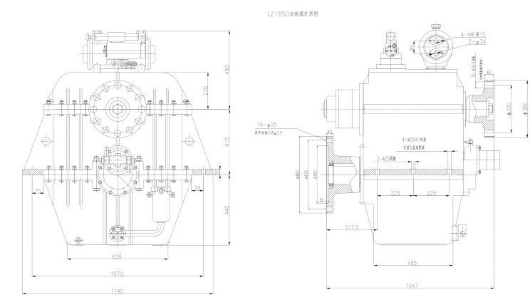
Model: | LZ1850 pump gearbox |
Input Speed: | 800r/min |
Input Power: | 1500kw |
Output Power: | 1800r/min |
Speed Increasing Ratio: | 1:2.25 |
Size: | 1047×1190×1340mm |
Input shaft steering( facing to Output): | Left:Counterclockwise Right:Clockwise |
Specification: | Low input, high output |
Application:
SLZ1850 is widely used in industrial or civil water supply and drainage, central heating, boiler feed water, transportation of chemical fluid and slurry, oil transportation and water injection in oil field.
Technical Tel: +86-13816230777