
Description:
SLZ370 is suitable to serve for water pump factory, forming power unit with engine. It is widely used in industrial or civil water supply and drainage, central heating, boiler feed water, transportation of chemical fluid and slurry, oil transportation and water injection in oil field.
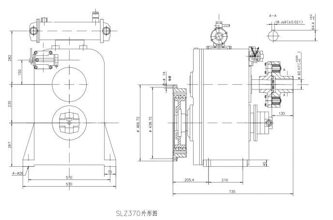
Main data:
Model: | SLZ370 pump gearbox |
Rated Capacity: | 0.23kw/r.min-1 |
Input Speed: | 1200-2200r/min |
Speed Increasing Ratio: | 2.41,2.24 |
Center distance: | 235mm |
Weight: | 360kg |
Input shaft steering:: | Counterclockwise (looking at the flywheel towards the output) |
Specification: | Elastic coupling with toothed rubber block |
Application:
SLZ370 is widely used in industrial or civil water supply and drainage, central heating, boiler feed water, transportation of chemical fluid and slurry, oil transportation and water injection in oil field.
Technical Tel: +86-13816230777