
Description:
SLZ1600 is suitable to serve for water pump factory, forming power unit with engine. It is widely used in industrial or civil water supply and drainage, central heating, boiler feed water, transportation of chemical fluid and slurry, oil transportation and water injection in oil field.
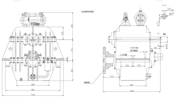
Main data:
Model: | LZ1600 pump gearbox |
Input Speed: | 525r/min |
Input Power: | 800kw |
Transmission Capacity: | 1.524kw/r.min-1 |
Speed Increasing Ratio: | 1:3.44 |
Center distance: | 375mm |
Size: | 1093×1105×1230mm |
Input shaft steering: | Opposite input axis |
Weight: | 1400kg |
Specification: | Cylindrical helical gear two-shaft two- gear drive; Hydraulic wet multi-disc fiction clutch,electronic control(DC24V), high impact coupling. |
Application:
SLZ1600 is widely used in industrial or civil water supply and drainage, central heating, boiler feed water, transportation of chemical fluid and slurry, oil transportation and water injection in oil field.
Technical Tel: +86-13816230777